泰克示波器的頻率響應分析應用
通常,我們使用波特圖來分析系統的頻率響應。這類圖表以圖形的方式展示一定頻率范圍內的幅度和相位,可用于分析和理解電路行為。總的來說,波特圖可以清晰且直觀地展示電路頻率響應特性,進而有助于電子系統的設計、優化和故障排除,是一種強大的電路分析輔助工具。
波特圖可以通過收集不同輸入信號頻率下的幅度和相位值數據手動生成——將所有得到的數值手動繪制在坐標紙上即可。若收集的數據點較多,可借助Excel、MATLAB或Python等軟件來繪制座標圖。
2系列混合信號示波器提供2-SOURCE或2-ULTIMATE可選,可支持內置函數發生器和波特圖功能。

對于4/5/6系列混合信號示波器而言,波特圖功能需要使用功率測量和分析選項(PWR)。功率測量和分析結果可通過控制回路響應測量得出。
部分泰克示波器提供內置函數發生器和波特圖功能,用戶可以更加輕松、準確地分析和拓展他們的電路設計。這一內置功能支持用戶根據自己的選擇自動更改函數發生器的輸出頻率,捕捉輸入和輸出信號,并生成波特圖。
波特圖簡介
波特圖由兩張圖組成:幅頻響應(增益)圖和相頻響應圖。這兩張圖可以顯示系統響應不同頻率的方式,并提供有關系統增益和相位特性的見解。
增益圖以對數標度表示,指示系統的幅頻響應與頻率的函數關系。使用對數標度,頻率軸可以跨越幾個數量級,且不會降低分辨率。對數標度將較高的頻率壓縮到圖的右側,從而更加均勻地表示整個頻率范圍。
相位圖則以度數表示,指示相移的量和方向。相位響應范圍為-180°F至180°F,相位圖可顯示系統影響不同頻率信號時序和同步的方法。相位圖還為幅度圖進行了一定的補充,包含系統頻率響應的整體視圖。

波特圖作用
波特圖可為電路分析提供多種見解,包括:
1.增益和衰減
波特圖可以顯示電路在不同頻率下的增益或衰減情況。幅度圖展示了電路放大或衰減不同頻率信號的方式。此類信息對于了解電路的整體增益或損耗,以及識別其頻率響應特性而言至關重要。
2.頻寬
頻寬是指電路有效工作的頻率范圍。通過檢查幅度圖,可以確定增益在指定范圍內(例如-3dB)的頻率范圍,代表了電路的可用頻寬。
3.濾波器分析
波特圖可為低通、高通、帶通和帶阻濾波器等濾波器電路提供寶貴的見解,能夠顯示截止頻率、滾降率和通帶 / 阻帶特性。波特圖有助于直觀展示電路選擇性地允許或拒絕某些頻率分量的方式,進而助力濾波器設計和分析。
4.相位響應
波特圖還能夠展示電路的相位響應情況。相位圖能夠展示電路在不同頻率下引入的相移。在分析具有時間延遲的系統或對相位敏感的應用(如音頻信號處理和反饋控制系統)時,上述信息至關重要。
5.穩定性分析
波特圖可用于分析反饋控制系統的穩定性。穩定性分析中的斷開循環,俗稱“開環”或“開反饋環”,是一種通過僅考慮開環傳遞函數來簡化復雜控制系統分析的技術。這在使用波特圖進行穩定性分析時尤其有用。工程師可以通過檢查開環傳遞函數的幅度圖和相位圖來確定(增益和相位的)穩定裕度。穩定裕度代表系統的穩定性以及對抗干擾和變化時的穩定程度。

6.共振和頻率選擇性
波特圖有助于識別電路中的諧振頻率和頻率選擇性,尤其是在包含電容和電感等電抗元件的系統中。幅度圖表示峰值或諧振頻率,而相位圖表示這些頻率相關的相移。
使用2系列混合信號示波器生成波特圖
圖片
以下示例將使用一個簡單的一階低通濾波器演示如何在2系列混合信號示波器上生成波特圖。該濾波器為無源濾波器,僅由一個電容和一個電阻串聯而成。
RC網絡使用10Ω電阻和1μF電容。

使用下列公式計算截止頻率。

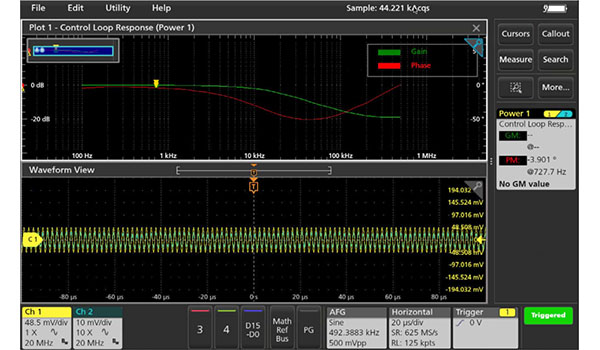
如需要在2系列混合信號示波器中啟動波特圖,請按下測量按鈕添加新的測量值。波特圖位于FRA選項卡下。參見圖3。

使用內置AFG或外置泰克AFG(AFG31000)配置波特圖。參見圖4。內置AFG支持高達50MHz的信號。


設置開始和停止頻率,配置掃描頻率范圍。“點數/10 倍頻”代表數據的間隔或密度。“點數/10倍頻”的合理范圍在5到10之間。默認設置是10點數/10倍頻。
完成所有設置后,按下預設按鈕,應用AFG的設置并初始化示波器。
請按下前面板上的運行/停止按鈕,或單擊位于屏幕右下角的運行/停止狀態按鈕開始采集和繪制數據。

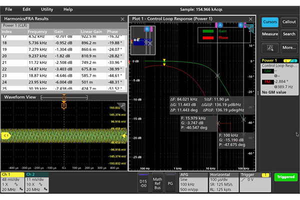
使用光標和結果表從波特圖中獲得更多詳細信息。在圖7中,對于具有10Ω電阻和1μF電容的簡單RC網絡(如前所述),截止頻率約為16kHz,與我們的計算結果相符,相位圖顯示約為-40°F,接近該截止頻率的理想相位角-45°F。您還可以從增益圖中檢測到截止頻率有較高的滾降。

2系列混合信號示波器功能靈活,可為您帶來更多相關見解,并優化您的電路配置。其小巧便攜的外形、選配的電池電源和內置功能(如波特圖)可支持隨時隨地進行數據測量及分析。







關注官方微信
