LCR表和萬用表的區別是什么?
LCR表,顧名思義是用于測量電器元器件本證參數的專用測量工具,L,指的是電感,c,指的是電容,R,指的是電阻。除此之外LCR表不能測量其他的,而且需在電路斷電情況下測量電感,電阻或者電容。因為是專用儀表,所以測量精度高,準確性強。
萬用表,除了能夠測量上述的電阻,電容和電感的感抗之外,還可以用不同檔位測量交直流電壓,電流,電源頻率等。雖然它的功能多些,但精度不是太準確。
簡單的說,LCR表是測量分離元器件的本征參數的,例如電阻阻值,電容容值等,它一般需要斷電獨立測試。萬用表是一種多功能測量儀器,他可以測試分離元件,也可以測試電信號特性,還具備一些其他測量功能。
1、LCR表檢測元器件的原理
根據待檢測元器件實際使用的條件和組合。上的差別,LCR測量儀設有兩種檢測模式:串聯模式和并聯模式。串聯模式以檢測元器件的阻抗Z為基礎,其基本原理如圖1所示;并聯模式以檢測元器件的導納Y為基礎,其基本原理如圖2所示。

圏1和圏2中的Vs內仗器內部的正弦波信號源, Rs內信號源的內阻, V內數字屯圧表, A數字屯流表。除此之外仗器內部邇裝有在圏中未畫出的數字盜相器。當用戸將待測元器件接到仗器上之后,數字屯流表將測出流辻待測元器件的屯流I,數宇屯圧表將測出待測元器件丙端的屯圧V,數字整相器將測出屯圧V與屯流I之向的相位角8。栓測結果被存儲在仗器內部徼型汁算機的三個存儲単元中。
有了V、I、B呟三個數據,仗器內部微型廾算機就會自功地算出用戸所要檢測的參數。
2、LCR表能夠檢測的參數
在儀器使用說明書中,列有如表1所示的測量參數選擇表。表中Primary為主參數欄,Secondary為次參數欄。表中的Z為阻抗,Y為導納,R為電阻,G為電導,Cp為并聯電容,Cs為串聯電容,Lp為并聯電感,Ls為串聯電感,日為電壓相對于電流的相位角,X為電抗,B為電納,D為損失因素,Q為品質因數,Rp為并聯電阻,Rs為串聯電阻。
在用戶對元器件或兩個元器件的組合件作檢測之前,必須根據它們的持點,從主參數欄中選擇一個待測的主參數,從次參數欄中選擇一個待測的次參數。一個主參數搭配一個次參數,共有20個組合方案可供選擇。一次測量完成后,儀器的液晶屏上將示出測得的主參數和次參數的數值和單位。

3、萬用表的基本測量原理
(1)直流電壓測量電路
圖1為數字萬用表直流電壓測量電路原理圖,該電路是由電阻分壓器所組成的外圍電路和基本表構成。把基本量程為200mV的量程擴展為五量程的直流電壓擋。圖中斜線區是導電橡膠,起連接作用。

圖1數字萬用表直流電壓測量電路原理圖
(2)直流電流測量電路
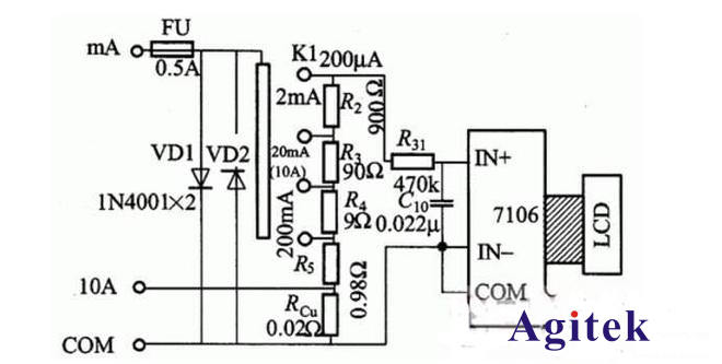
圖2為數字萬用表直流電流測量電路原理圖,圖中VD1、VD2為保護二極管,當基本表IN+、IN一兩端電壓大于ZOOmV時,VD1導通,當被測量電位端接入IN一時,VD2導通,從而保護了基本表的正常工作,起到“守門”的作用。
R2~R5、RC.分別為各擋的取樣電阻,它們共同組成了電流-電壓轉換器(I/U),即測量時,被測電流△在取樣電阻上產生電壓,該電壓輸人至IN+、IN—兩端,從而得到了被測電流的量值。若合理地選配各電流量程的取樣電阻,就能使基本表直接顯示被測電流量的大小。

圖2數字萬用表直流電流測量電路原理圖
4、萬用表操作規程
(1)使用前應熟悉萬用表各項功能,根據被測量的對象,正確選用檔位、量程及表筆插孔。
(2)在對被測數據大小不明時,應先將量程開關,置于最大值,而后由大量程往小量程檔處切換,使儀表指針指示在滿刻度的1/2以上處即可。
(3)測量電阻時,在選擇了適當倍率檔后,將兩表筆相碰使指針指在零位,如指針偏離零位,應調節“調零”旋鈕,使指針歸零,以保證測量結果準確。如不能調零或數顯表發出低電壓報警,應及時檢查。
(4)在測量某電路電阻時,必須切斷被測電路的電源,不得帶電測量。
(5)使用萬用表進行測量時,要注意人身和儀表設備的安全,測試中不得用手觸摸表筆的金屬部份,不允許帶電切換檔位開關,以確保測量準確,避免發生觸電和燒毀儀表等事故。
以上就是LCR表和萬用表的區別是什么?更多相關信息,歡迎登陸安泰測試。






關注官方微信
