使用示波器和任意函數發生器對功率半導體器件進行雙脈沖測試
由于其在汽車和工業應用中的優異性能,用于電力電子的半導體材料正從硅過渡到諸如碳化硅 (SiC) 和氮化鎵 (GaN) 的寬帶隙半導體。GaN和SiC可實現更小、更快、更高效的設計。監管和經濟壓力繼續推動高壓電力電子設計的效率提升。更小和更輕的設計的功率密度優勢在電動汽車等空間受限和/或移動用途中尤為明顯,但緊湊型電力電子設備也更廣泛地受到歡迎,特別是從降低系統成本的角度來看。同時,隨著**引入財政激勵措施和更嚴格的能效法規,效率的重要性日益提高。
全球實體發布的指南,如歐盟的生態設計指令、美國能源部2016能效標準和中國質量認證中心 (CQC) mark管理電氣產品和設備的能效要求。在電力電子設備中提高能源效率的需求從發電點延伸到消費點,如圖1。功率轉換器在整個產生、傳輸和消耗鏈中在多個階段操作,并且因為這些操作中沒有一個是100% 有效的,所以在每個步驟處發生一些功率損耗。主要由于作為熱量損失的能量,這些整體效率的降低在整個循環中成倍增加。

圖1: 發電、輸電和耗電點的功率損耗 [1]。
在設計功率轉換器時,0% 的功率損耗是理想的,如圖2。

圖2: 理想的電源轉換效率 。
然而,開關損耗是不可避免的。因此,目標是通過設計優化來最小化損失。必須嚴格測量與效率相關的設計參數。
典型的轉換器將具有大約87% 至90% 的效率,這意味著10% 至13% 的輸入功率在轉換器內耗散,大部分作為廢熱耗散。這種損耗的很大一部分在諸如mosfet或igbt的開關器件中耗散。

圖3: 理想切換。
理想情況下,開關設備處于 “開” 或 “關” 狀態,如圖所示圖3并在這些狀態之間瞬間切換。在 “接通” 狀態下,開關的阻抗是零歐姆,并且無論有多少電流流過開關,在開關中沒有功率耗散。在 “斷開” 狀態下,開關的阻抗是無限的,并且零電流流動,因此沒有功率耗散。
實際上,在 “開” 和 “關” (關斷) 之間以及 “關” 和 “開” (接通) 之間的轉換期間,功率被耗散。這些不理想的行為是由于電路中的寄生元件而發生的。如圖所示圖4,柵極上的寄生電容減慢了器件的開關速度,延長了接通和關斷時間。每當漏極電流流動時,MOSFET漏極和源極之間的寄生電阻耗散功率。[2]

圖4: A: MOSFET如何出現在原理圖上。B: 電路如何看待MOSFET。
還需要考慮MOSFET中的體二極管的反向恢復損耗。二極管的反向恢復時間是二極管中開關速度的量度,因此影響轉換器設計中的開關損耗。
因此,設計工程師將需要測量所有這些定時參數,以將開關損耗保持在最低水平,從而設計出更高效的轉換器。
測量mosfet或igbt開關參數的首選測試方法是“雙脈沖測試”方法。本應用筆記將介紹雙脈沖測試及其實施方式。特別是,本應用筆記將說明如何使用Tektronix AFG31000任意函數發生器生成脈沖,并使用4、5或6系列MSO示波器測量重要參數。
什么是雙脈沖測試?
雙脈沖測試是一種測量開關參數和評估功率器件動態行為的方法。此應用程序的用戶通常希望測量以下開關參數: [3]
開啟參數:開啟延遲 (td (開)),上升時間 (t右), t開(開啟時間),E開(能量),dv/dt和di/dt。然后確定能量損失。[4]
關閉參數:關閉延遲 (td (關閉)),下降時間 (tf),t關(關閉時間),E關(關能量) 、dv/dt和di/dt。然后確定能量損失。[4]
反向恢復參數:trr(反向恢復時間),Irr(反向恢復電流),Qrr(反向恢復電荷),Err(反向恢復能量) 、di/dt和Vsd(正向電壓)。[4]
本試驗用于:
保證mosfet和igbt等功率器件的規格。
確認電源設備或電源模塊的實際值或偏差。
在各種負載條件下測量這些開關參數,并驗證許多設備的性能。
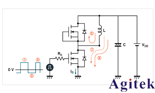
典型的雙脈沖測試電路如圖5。

圖5: 雙脈沖測試電路。
該測試使用電感負載和電源進行。電感器用于復制轉換器設計中的電路條件。電源用于向電感器提供電壓。AFG31000用于輸出觸發MOSFET柵極的脈沖,從而將其打開以開始電流傳導。

圖6: mosfet作為dut時的電流。
圖6顯示了使用mosfet進行雙脈沖測試的不同測試階段內的電流。使用igbt時,將應用相同的電流,如圖所示圖7。

圖7: 使用igbt作為dut的電流。

圖8: 雙脈沖測試的典型波形。
圖8顯示了在低側MOSFET或IGBT上進行的典型測量。以下是雙脈沖測試的不同階段 (這些階段是指圖6、7和8)
由接通脈沖編號1表示的第一步驟是初始調整的脈沖寬度。這在電感器中建立電流。調整該脈沖以達到所需的測試電流 (Id),如圖8。
第二步驟 (2) 是關斷第一脈沖,其在續流二極管中產生電流。關閉周期較短,以保持負載電流盡可能接近通過電感器的恒定值。圖8示出了在步驟2中變為零的低側MOSFET上的Id; 然而,電流流過電感器和高側二極管。這可以在圖6和圖7,因為電流流過高側MOSFET (未導通的MOSFET) 的二極管。
第三步驟 (3) 由第二接通脈沖表示。脈沖寬度短于第一脈沖,使得裝置不會過熱。第二脈沖需要足夠長以進行測量。中看到的電流過沖圖8是由于從高側MOSFET/IGBT反向恢復續流二極管。
然后在第一脈沖的關閉和第二脈沖的開啟時捕獲關閉和開啟定時測量。
下一節將討論測試設置以及如何進行測量。
雙脈沖測試裝置
圖9顯示運行雙脈沖測試的設備設置。需要以下設備:
AFG31000: 連接到隔離柵極驅動器,并使用單元上的雙脈沖測試應用程序快速生成具有不同脈沖寬度的脈沖。隔離柵極驅動器使MOSFET導通。
示波器: 4/5/6系列MSO (此設置使用泰克5系列MSO): 措施VDS,VGS,而我D。
雙脈沖測試軟件范圍:Opt。WBGDPT在4/5/6系列MSO上進行自動測量
用于低側器件雙脈沖測試和高側二極管反向恢復的探頭:
低側探測:
-Ch1: VDS-TPP系列或THDP/TMDP系列電壓探頭
-Ch2: VGS-TPP系列或TIVP隔離探針與MMCX適配器提示。
-Ch3: ID-TCP系列電流探頭
高側探測:
-Ch4: IRR-TCP系列電流探頭
-Ch5: VDS-THDP/TMDP系列電壓探頭
直流電源:
高壓電源:
-EA-PSI 10000高達2 kV和30 kW的可編程電源
-2657A高達3 kV的高壓源表單元 (SMU)
-2260B-800-2,可編程直流電源高達800 v
柵極驅動電路電源:
-2230系列或2280s系列直流電源

圖9: 雙脈沖測試設置。
AFG31000上的雙脈沖應用程序
AFG31000雙脈沖測試應用程序可以直接從下載并安裝到afg31000上。圖10在設備上下載并安裝應用程序后,在AFG31000的主屏幕上顯示雙脈沖測試的圖標。

圖10: AFG31000主屏幕。
雙脈沖測試應用程序允許用戶創建具有不同脈沖寬度的脈沖,這一直是用戶的主要痛點,因為創建具有不同脈沖寬度的脈沖非常耗時。其中一些方法包括在PC上創建波形并將其上傳到函數發生器。其他人則使用需要大量精力和時間來編程的微控制器。AFG31000上的雙脈沖測試應用程序可從正面顯示屏實現此功能。該應用程序是直觀和快速設置。調節第一脈沖寬度以得到期望的切換電流值。第二脈沖也可以獨立于第一脈沖進行調節,并且通常比第一脈沖短,使得功率器件不被破壞。用戶還具有定義每個脈沖之間的時間間隙的能力。
圖11顯示雙脈沖測試應用程序窗口。在這里,用戶可以設置:
脈沖數: 2至30個脈沖
高低電壓幅值 (V)
觸發延遲 (s)
觸發源-手動、外部或計時器
負載-50 Ω 或高Z

圖11: afg31000上的雙脈沖測試應用。
圖12顯示了雙脈沖測試的實際測試設置。

圖12: 雙脈沖測試設置。
在此示例中,ST微電子評估板用作n溝道功率mosfet和igbt的柵極驅動器: EVAL6498L圖13。

圖13: EVAL6498L
所使用的mosfet也來自ST微電子: STFH10N60M2。這些是n溝道600V mosfet,額定漏極電流為7.5 A。
測試電路中使用的其他設備和裝置包括:
Tektronix 4、5或6系列MSO示波器
泰克電流探頭TCP0030A-120 MHz
泰克高壓差分探頭: TMDP0200
基思利直流電源 -2280s (為柵極驅動器IC供電)
Keithley 2461 SMU儀器 (向電感器提供電壓)
電感: ~ 1 mH
電源連接如下:
Mosfet被焊接到板上。Q2是低側,Q1是高側。
Q1上的柵極和源極將需要短路,因為Q1將不導通。
柵極電阻器被焊接用于q2。R = 100 ?。
來自AF31000的CH1連接到eval板上的輸入PWM_L和GND。
Keithley電源連接到V抄送和eval板上的GND輸入,以向柵極驅動器IC提供電源。
Keithley 2461 SMU儀器連接到HV和GND,以向電感器供電。
然后將電感器連接到HV和OUT
雙脈沖測試測量
安全連接所有電源連接后,我們可以將探頭從示波器連接到Q2 (低側MOSFET),如圖所示圖14。
無源探頭連接到VGS。
差分電壓探頭連接到VDS。
TCP0030A電流探頭通過MOSFET源極引線上的回路。

圖14: 范圍測量測試點。
仔細的探測和優化將幫助用戶獲得良好的結果。用戶可以采取一些步驟來進行準確和可重復的測量,例如從測量中消除電壓,電流和定時誤差。自動測量軟件,如用于4/5/6系列mso的wbg-dpt選件,無需手動步驟即可節省時間并提供可重復的結果。
現在可以在AFG31000上設置雙脈沖測試,如圖15。

圖15: afg31000上的雙脈沖測試設置。
脈沖的幅度設置為2.5 V。第一個脈沖的脈沖寬度設置為10 μ s,間隙設置為5 μ s,第二個脈沖設置為5 μ s。觸發器設置為手動。
SMU儀器設置為將100 v輸入HV。配置好柵極驅動信號和電源后,就可以使用示波器上的wbg-dpt應用程序配置和執行雙脈沖測試了。
4/5/6系列MSO上的雙脈沖測試軟件
與手動測試相比,wbg-dpt應用程序具有以下幾個重要優勢:
更短的測試時間
即使在具有振鈴的信號上,也可實現可重復的測量
根據JEDEC/IEC標準或使用自定義參數進行測量
便于示波器設置的預設功能
在脈沖和注釋之間輕松導航
在結果表中匯總測量結果
使用報告、會話文件和波形記錄結果
全編程接口實現自動化
通過/失敗測試,具有可配置的限制和對失敗采取的措施
有關wbg-dpt app的更多信息,請參閱數據表。
測量分為開關參數分析、開關時序分析和二極管恢復分析。

圖16。Wbg-dpt應用中的開關時序分析測量。
WBG抗扭斜功能
WBG抗扭斜功能計算漏極到源極電壓之間的偏斜 (VDS) 和漏極電流 (ID) 或集電極到發射極電壓 (VCE) 和集電極電流 (IC) 當功率器件分別為MOSFET或IGBT時。然后將傾斜值應用于V的源DS或VCE在示波器上配置信號。
WBG抗扭斜不同于傳統的示波器抗扭斜。傳統上,探頭之間的偏斜在測試裝置上開始任何測量之前計算。在WBG中,測量系統的偏斜作為后采集操作來執行。

圖17。WBG抗扭斜過程專門用于雙脈沖測試,并能夠在采集信號后對齊電流和電壓波形。

圖18: 雙脈沖測試波形。
請注意中的波形圖18類似于中顯示的圖8。再次,在Ids上看到的電流過沖是由于續流二極管從高側MOSFET/IGBT的反向恢復。該尖峰是所使用的設備所固有的,并且將導致損耗。
測量開啟和關閉時間和能量損失
為了計算開啟和關閉參數,我們觀察第一脈沖的下降沿和第二脈沖的上升沿。
測量開啟和關閉參數的行業標準如圖19。

圖19: 開關時間標準波形 [5]。
td (開): V之間的時間間隔GS在其峰值的10% 和Vds在其峰值振幅的90%。
T右: V之間的時間間隔DS在其峰值振幅的90% 和10%。
td (關閉): V之間的時間間隔GS在其峰值的90% 和Vds在其峰值振幅的10%。
Tf: V之間的時間間隔DS在其峰值振幅的10% 和90%。

圖20: 示波器上的DPT軟件支持標準和自定義參考電平。滯后帶在參考電平上設置一個范圍,信號必須通過該范圍才能被識別為過渡。這有助于過濾掉虛假事件。
圖21顯示示波器上捕獲的波形和開啟參數的測量值。在示波器上,啟動wbg-dpt應用程序。選擇 “電源設備” 類型為MOSFET。配置VDS,我D,和VGS來源。
轉到切換時序分析組。添加Td(on) 、Td(off) 、Tr和Tf測量。
配置Td (開)測量,點擊預設。這為單次收購提供了范圍。
打開電源。
打開AFG31000以產生輸出脈沖。
生成的波形將在示波器上捕獲,如圖21。
然后使用以下公式計算過渡期間的能量損失:

通常,設計人員會使用示波器上的積分函數來計算特定的能量損耗。Wbg-dpt應用程序提供了Eon切換參數分析組下的測量此測量設置積分并快速顯示結果。
上面的相同等式可用于計算關閉過渡期間的能量損耗:

DPT應用程序包括一個自動E關開關參數分析菜單中的測量。這將執行計算并直接提供能量損耗結果。
注: 范圍捕獲中顯示的數據僅供參考。

圖21: 開啟參數波形。
圖22顯示使用示波器光標獲得的關閉波形測量結果。

圖22: 關閉參數波形。
測量反向恢復
現在,需要測量MOSFET的反向恢復特性。
圖23: 二極管反向恢復。
反向恢復電流發生在第二脈沖的接通期間。如圖所示圖23,二極管在階段2期間在正向條件下導通。當低側MOSFET再次導通時,二極管應立即切換到反向阻斷條件; 然而,二極管將在短時間內在反向條件下導通,這被稱為反向恢復電流。該反向恢復電流被轉換成能量損耗,這直接影響功率轉換器的效率。現在在高側MOSFET上進行測量。我d通過高側MOSFET和Vsd穿過二極管。

圖23下面還顯示了如何檢索反向恢復參數。
反向恢復參數: trr(反向恢復時間),Irr(反向恢復電流),Qrr(反向恢復電荷),Err(反向恢復能量) 、di/dt和Vsd(正向電壓)。
然后使用以下公式計算過渡期間的能量損失:

Wbg-dpt支持Trr,Qrr和Err二極管反向恢復組下的測量。波形和捕獲的結果顯示在圖24。
多個Trr測量結果也可以顯示在重疊圖中,該圖顯示帶有注釋,切線和配置值的選定脈沖。

圖24: 反向恢復波形。顯示屏頂部的波形顯示了多個事件的重疊圖。切線 (a-b) 表示當前選擇進行測量的事件。
測量死區時間
對于半橋配置的開關設備,一個開關必須在另一個開關打開之前斷開,以確保DUT的完整性和人員安全。如果兩個開關同時打開,則會發生 “直通”,這將導致故障。然而,使兩個開關都斷開太長時間會影響效率。因此,優化死區時間是關鍵的設計目標。

圖25。在半橋功率轉換器中,死區時間是一個開關器件關斷與另一個FET接通之間的延遲,這里示出為at。
死時間 (Tdt) 是一個MOSFET的關斷時間與另一個MOSFET的導通時間之間的時間延遲,在每個MOSFET的柵極驅動信號上測量。死區時間在中顯示為 Δ t圖25。
Wbg-dpt應用程序包括自動死區時間測量,可在 “切換時序分析” 選項卡下找到,如圖16。Tdt測量結果如圖26在顯示屏右側的徽章中。死區時間是一個柵極電壓的配置的下降沿電平與另一個柵極電壓的配置的上升沿電平之間的時間間隔。默認的上升沿和下降沿電平為50%。測量注釋 (垂直虛線) 指示對柵極驅動信號的死區時間測量。
在某些情況下,必須對具有緩慢上升或下降時間的波形執行死區時間測量。在這些情況下,可以在測量中配置自定義邊緣級別。自定義電平可以是相對于波形的高電平和低電平的相對值,也可以是絕對值。

圖26。自動死區時間測量。通道6上的柵極驅動信號 (綠色) 關閉低側MOSFET,然后高側MOSFET的柵極驅動信號 (黃色) 打開高側MOSFET。
結論
雙脈沖測試是測量開關參數和評估功率器件動態行為的首選測試方法。使用此應用程序的測試和設計工程師有興趣了解功率器件的開關、定時和反向恢復行為。該測試需要具有不同脈沖寬度的兩個電壓脈沖,這是由于創建具有不同脈沖寬度的脈沖的耗時方法而導致的主要用戶痛點。其中一些方法包括在PC上創建波形并將其上傳到函數發生器。其他人則使用需要大量精力和時間來編程的微控制器。本應用筆記表明,泰克AFG31000任意函數發生器提供了一種直接的方法,可以在正面顯示屏上創建具有不同脈沖寬度的脈沖。AFG31000上的雙脈沖測試應用程序可以快速設置和輸出脈沖,從而使設計和測試工程師能夠專注于收集數據和設計更高效的轉換器。






關注官方微信
