泰克2系列混合信號示波器的頻率響應分析應用
通常,我們使用波特圖來分析系統的頻率響應。這類 圖表以圖形的方式展示一定頻率范圍內的幅度和相 位,可用于分析和理解電路行為??偟膩碚f,波特圖 可以清晰且直觀地展示電路頻率響應特性,進而有 助于電子系統的設計、優化和故障排除,是一種強大 的電路分析輔助工具。
泰克2系列混合信號示波器提供 2-SOURCE 或 2-ULTIMATE 可選,可支持內置函數發生器和 波特圖功能。 對于 4/5/6 系列混合信號示波器而言,波特圖功能需要使用功率測量和分析選項(PWR)。 功率測量和分析結果可通過控制回路響應測量 得出。部分泰克示波器提供內置函數發生器和波特圖功能, 用戶可以更加輕松、準確地分析和拓展他們的電路 設計。這一內置功能支持用戶根據自己的選擇自動 更改函數發生器的輸出頻率,捕捉輸入和輸出信號, 并生成波特圖。
波特圖由兩張圖組成:幅頻響應(增益)圖和相頻響 應圖。這兩張圖可以顯示系統響應不同頻率的方式, 并提供有關系統增益和相位特性的見解。
波特圖作用
波特圖可為電路分析提供多種見解,包括:
1. 增益和衰減 波特圖可以顯示電路在不同頻率下的增益或衰減情 況。幅度圖展示了電路放大或衰減不同頻率信號的 方式。此類信息對于了解電路的整體增益或損耗,以 及識別其頻率響應特性而言至關重要。
2.頻寬
頻寬是指電路有效工作的頻率范圍。通過檢查幅度 圖,可以確定增益在指定范圍內(例如 -3dB)的頻率 范圍,代表了電路的可用頻寬。
3. 濾波器分析
波特圖可為低通、高通、帶通和帶阻濾波器等濾波器 電路提供寶貴的見解,能夠顯示截止頻率、滾降率 和通帶 / 阻帶特性。波特圖有助于直觀展示電路選 擇性地允許或拒絕某些頻率分量的方式,進而助力 濾波器設計和分析。
4. 相位響應
波特圖還能夠展示電路的相位響應情況。相位圖能 夠展示電路在不同頻率下引入的相移。在分析具有 時間延遲的系統或對相位敏感的應用(如音頻信號 處理和反饋控制系統)時,上述信息至關重要。
5. 穩定性分析
波特圖可用于分析反饋控制系統的穩定性。 穩定 性分析中的斷開循環,俗稱“開環”或“開反饋環”, 是一種通過僅考慮開環傳遞函數來簡化復雜控制系 統分析的技術。這在使用波特圖進行穩定性分析時 尤其有用。工程師可以通過檢查開環傳遞函數的幅 度圖和相位圖來確定(增益和相位的)穩定裕度。穩 定裕度代表系統的穩定性以及對抗干擾和變化時的 穩定程度。

6. 共振和頻率選擇性
波特圖有助于識別電路中的諧振頻率和頻率選擇性, 尤其是在包含電容和電感等電抗元件的系統中。幅 度圖表示峰值或諧振頻率,而相位圖表示這些頻率 相關的相移。
使用 2 系列混合信號示波器生成波特圖
以下示例將使用一個簡單的一階低通濾波器演示如 何在 2 系列混合信號示波器上生成波特圖。該濾波 器為無源濾波器,僅由一個電容和一個電阻串聯而 成。 RC 網絡使用 10Ω 電阻和 1μF 電容。


如需要在 2 系列混合信號示波器中啟動波特圖,請 按下測量按鈕添加新的測量值。波特圖位于 FRA 選 項卡下。

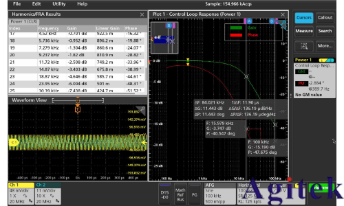
使用光標和結果表從波特圖中獲得更多詳細信息。 在圖 中,對于具有 10Ω 電 阻和 1μF 電 容 的 簡單 RC 網絡(如前所述),截止頻率約為 16kHz,與我們 的計算結果相符,相位圖顯示約為 -40° F,接近該截 止頻率的理想相位角 -45° F。您還可以從增益圖中 檢測到截止頻率有較高的滾降。

2 系列混合信號示波器功能靈活,可為您帶來更多相 關見解,并優化您的電路配置。其小巧便攜的外形、 選配的電池電源和內置功能(如波特圖)可支持隨時 隨地進行數據測量及分析。







關注官方微信
