羅德與施瓦茨示波器高級眼圖中的實時去嵌應用
高速眼圖測試中的去嵌問題
在高速數字通信系統中,信號的完整性和質量是至關重要的。為了確保數據傳輸的準確性和可靠性,工程師們經常需要借助各種測試工具和技術來分析和評估信號質量。其中,高速信號眼圖測試就是一種非常有效和常用的方法。
“眼圖”是一種通過示波器顯示的高速數字信號的時域波形圖,它得名于其形狀類似于人眼的開口。眼圖能夠直觀地展示數字信號的多個關鍵參數,如幅度、時間間隔、抖動、噪聲等,從而幫助工程師快速判斷信號質量的好壞。
高速信號眼圖測試的基本原理是,通過示波器捕捉并顯示高速數字信號在一段時間內的波形。示波器的高采樣率和寬帶寬能夠確保捕捉到信號中的高頻成分和快速變化。在眼圖上,每個數字比特都對應一個“眼睛”的張開和閉合。如果信號質量良好,眼圖的“眼睛”會張開得比較大,且形狀規則;反之,如果信號受到噪聲、抖動或失真等因素的影響,眼圖的“眼睛”會變小、變形甚至閉合。 眼圖測試的優點在于它能夠提供豐富的信息,幫助工程師全面了解信號的質量與性能。例如,通過眼圖可以觀察到信號的幅度是否穩定、時間間隔是否均勻、是否存在抖動或漂移等問題。此外,眼圖還可以用于評估信號的噪聲容限和誤碼率等關鍵指標。去嵌/去嵌入(De-embedding)技術是微波測量的重要技術之一,主要目的是消除寄生元件、部件對實際被測器件(DUT)的影響。為了確保測量值為實際被測器件的本身特性,必須進行去嵌(De-embedding)。 高速測試系統中用到的夾具/線纜/連接器等都會對測試數據造成影響,測試值永遠不等于真實值。為了最大限度的減少測試值與真實值之間的差別,可以使用示波器的去嵌及實時去嵌功能,以消除夾具/線纜/連接器等對真實信號造成的影響。 以USB3.2高速串行差分信號測試為例,USB3.2 Gen1速率5Gbps、USB3.2 Gen2速率高達10Gbps,測試時需要使用到SMA線纜、adapter及測試夾具,盡量無損的傳輸5Gbps或10Gbps的高速串行差分信號。當信號速率非常高,且指標要求非常嚴格,則夾具/線纜/連接器等的使用就會給信號測量帶來非常明顯的影響。測試就需要通過去嵌(De-embedding)的方法來消除夾具/線纜/連接器等對信號造成的影響。
使用R&S示波器的實時眼圖
1、去嵌(De-embedding)之前,需要提前獲取夾具/線纜/連接器等的S參數
獲得夾具/線纜/連接器等的S參數,可以通過R&S的矢量網絡分析儀VNA(eg:ZNA/ZNB/ZND等)測試直接得到,相應的文件格式為s2p/s4p。

圖1 使用R&S的ZNB20矢量網絡分析儀測試“SMA線纜(ZA17)”及“SMA線纜+6dB衰減器”(圖中紅框部分)的S參數(兩根SMA線纜長度不同,造成差分信號正負級延遲不同;且連接了6dB衰減器,使得差分信號的幅度有50%的衰減)

圖2 矢網測試得到的s2p文件, 其中:“SMA線纜(ZA17)”的s2p文件為:ZA17_s2p.s2p
“SMA線纜+6dB衰減器”的s2p文件為:ATT_cable_s2p.s2p
2、利用示波器中的實時去嵌功能實現對夾具/線纜/連接器等進行去嵌(De-embedding)
將夾具/線纜/連接器等的S參數文件導入到R&S RTP示波器中,以實現對夾具/線纜/連接器等的實時去嵌。

圖3 R&S RTP示波器去嵌界面

圖4 R&S RTP示波器去嵌,參數配置界面(2根單端信號轉差分信號)設置了“線纜”和“連接器(ZA16)”兩個去嵌
R&S RTP示波器實時去嵌(Realtime De-embedding)示例
本示例為對上圖1所示的“SMA線纜(ZA17)”及“SMA線纜+6dB衰減器”在USB3.2Gen1眼圖測試中進行去嵌。

圖5 USB3.2Gen1眼圖測試連接示意圖

圖6 USB3.2Gen1眼圖測試實測連接圖
Step1:
首先,分別連接USB3.2Gen1的差分正負信號,其中正端使用“SMA線纜(ZA17)”連接示波器端口1和USB3.0夾具“+端”,負端使用“SMA線纜+6dB衰減器”連接示波器端口3和USB3.0夾具“-端”。因為±端口有6dB的衰減,且兩根SMA線纜長度不同,造成USB3.2Gen1的差分信號正負級幅度有一倍的差別,且有一個明顯的延遲。差分信號的±端實測結果如下圖所示:

圖7 USB3.2Gen1差分正負信號(因C3負端接了一個6dB衰減器,故其幅度僅為C1正端一半。C1與C3 SMA線纜長度不一致,造成C1與C3之間有一個明顯的延遲)
Step2:
使用R&S RTP示波器的硬件“單端轉差分”功能,把單端信號實時轉換為差分信號。測試結果如下圖所示:

圖8 RTP硬件“單端轉差分”(因C1與C3幅度差別較大,造成差模/共模信號質量都較差)
Step3:
使用R&S RTP示波器的“高級眼圖分析”功能生成經過這兩段線纜的USB3.2Gen1信號的眼圖,并測量眼寬/眼高等參數。其結果如下圖所示:

圖9 RTP“高級眼圖分析”生成眼圖(眼圖質量較差)
Step4:
分別在上述3組測試中開啟“實時去嵌”功能。將這兩根SMA線纜(含衰減器)的S參數導入RTP示波器的“去嵌功能”中,對這兩根SMA線纜分別進行實時去嵌。

圖10 USB3.2Gen1差分正負信號(去嵌后,正負端幅度/延遲影響都已去除)

圖11 RTP硬件“單端轉差分”(去嵌后,差模/共模信號質量較好)

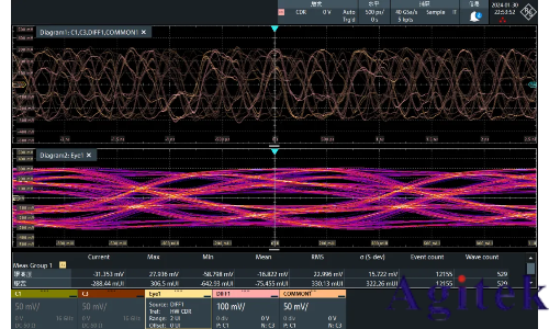
圖12 RTP“高級眼圖分析”生成眼圖(去嵌后,眼圖質量較好)
上圖中的眼圖為通過線纜的S參數對兩根SMA線纜實時去嵌后的結果(通過去嵌將SMA線纜及衰減器等的影響消除掉)。可見去嵌后的眼圖張開明顯,眼寬、眼高的測量值都得到較大的提升。
結語
本文介紹了高速串行信號測試中對夾具/線纜/連接器等進行去嵌的必要性和在R&S RTP示波器上進行實時去嵌的方法。并以實際測量驗證了通過R&S矢量網絡分析儀ZNB測量S參數,以及通過R&S RTP示波器對夾具/線纜/連接器等進行去嵌前后的對比結果。






關注官方微信
