用網絡分析儀測量DC-DC轉換器的反饋環路特征
DC-DC轉換器作為現代電子系統中不可或缺的電源模塊,其穩定性與動態響應性能直接影響整個系統的可靠性。而反饋環路的設計與驗證,是確保DC-DC轉換器在各種負載和輸入條件下穩定工作的關鍵環節。本文將系統闡述如何利用網絡分析儀對DC-DC轉換器的反饋環路特征進行精確測量,涵蓋基本原理、測量方法、配置示例及實際操作中的關鍵注意事項。

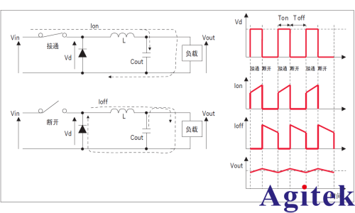
圖 1. DC-DC 轉換器的基本工作原理
在深入測量方法之前,需理解DC-DC轉換器的基本工作原理。以典型的降壓型(Buck)轉換器為例,其通過MOSFET開關將輸入電壓斬波為脈沖信號,再經由LC濾波器平滑為穩定的直流輸出電壓。反饋環路通過電阻分壓網絡采樣輸出電壓,并與參考電壓(Vref)進行比較,誤差放大器根據偏差調整脈寬調制器(PWM)的占空比,從而實現閉環控制。這一系統可建模為負反饋控制系統,其穩定性由環路增益(GH)的頻率響應決定。

圖 2. DC-DC 轉換器原理圖示例
環路增益是衡量反饋系統性能的核心指標,定義為開環傳遞函數G與反饋系數H的乘積。當環路增益|GH|=1(即0 dB)時的頻率稱為交叉頻率,決定了系統的帶寬;而在此頻率處,相位與-180°的差值即為相位裕量,是評估系統穩定性的關鍵參數。一般要求相位裕量在45°以上,以避免因相位延遲累積至-360°而引發振蕩。此外,增益裕量(即相位為0°時增益與0 dB的差值)同樣重要,二者共同構成了環路穩定性判據。

圖 3. 負反饋環路控制系統
使用網絡分析儀測量環路增益,本質上是通過注入小信號擾動,測量閉環系統中某點的響應比值。具體方法是在反饋路徑中(通常在分壓電阻之前)串聯一個由變壓器和電阻組成的浮置激勵施加電路,向環路注入交流信號。網絡分析儀的接收機端口R和T分別連接在注入點兩側,測量其電壓比值T/R,即可得到循環傳遞函數–GH的幅頻與相頻特性。
圖 4. 負反饋控制系統的環路增益測量方法
以E5061B-3L5 LF-RF網絡分析儀為例,其增益相位測試端口支持5 Hz至30 MHz頻率范圍,具備1 MΩ高阻輸入模式,非常適合此類測量。實際配置中,需選擇合適的注入變壓器(如Picotest J2100A或自制脈沖變壓器),并串聯一個阻值遠小于輸入阻抗Zin但遠大于輸出阻抗Zout的電阻R(通常為20–100 Ω),以滿足Zin >> R >> Zout的條件,確保注入信號不影響原環路工作點。
測量過程中,激勵信號的功率設置尤為關鍵。若信號過強,會驅動環路進入非線性區,導致測量失真;若過弱,則在低頻段因環路增益高而信噪比不足。推薦采用分段掃描策略:在低頻段(如100 Hz–1 kHz)設置較高功率(如-10 dBm至-20 dBm),隨頻率升高逐步降低功率(如至-35 dBm),以在整個頻段內保持良好的信噪比與線性度。同時,應使用同軸電纜直接連接測試點,避免使用10:1無源探頭,以防地環路干擾影響浮置測量的準確性。

校準是保證測量精度的前提。可將R與T端口的探頭短接于注入點(TP1),執行直通響應校準,消除電纜與連接器帶來的幅相誤差。測量結果中,若在截止頻率附近出現尖峰,通常源于轉換器自身的開關噪聲,屬正?,F象。通過游標讀取交叉頻率處的相位值,即可獲得相位裕量,進而判斷環路是否具備足夠的穩定裕度。
綜上所述,利用網絡分析儀對DC-DC轉換器反饋環路進行頻域測量,是驗證控制環路設計有效性、優化補償網絡參數的重要手段。通過合理配置測量系統、精細調節激勵電平并正確解讀數據,工程師能夠精準評估電源系統的動態性能,確保其在復雜工況下穩定可靠運行。






關注官方微信
