泰克示波器MSO5系列
品牌:泰克/TEKTRONIX
泰克示波器MSO5系列
強大的波形分析軟件加持,完美復現示波器界面
輕松訪問遠程示波器
在無示波器的情況下進行示波器分析
與您的同事和客戶共享數據
同步多臺示波器的波形
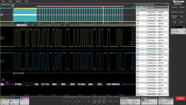
高級分析 - 利用總線解碼、頻譜分析和抖動分析等高級功能增強示波器上可用的分析

泰克5系列 / 5系列B MSO 混合信號示波器參數指標

輸入通道
4、6或8 FlexChannel®輸入
每個FlexChannel提供:
一個模擬信號,可以顯示為波形視圖、頻譜視圖或同時顯示為兩者使用TLP058邏輯探頭時8個數字邏輯輸入

帶寬(所有模擬通道)
350 MHz、500 MHz、1 GHz、2 GHz(可升級)
采樣率(所有模擬/數字通道)
實時:6.25 GS/s
插補:500 GS/s
記錄長度(所有模擬/數字通道)
62.5 M點標配
125、250、500 M點(選配)1

波形捕獲速率
>500,000個波形/秒
垂直分辨率
12位ADC
高分辨率模式下高達16位
標準觸發類型
邊沿,脈沖寬度,欠幅,超時,窗函數,邏輯,建立時間和保持時間,上升/下降時間,并行總線,序列,可視觸發,視頻(可選),射頻對時間(可選)

標準分析
光標:波形,V條,H條,V&H條
測量:36項
頻譜視圖:頻域分析,獨立控制頻域和時域

FastFrameTM:分段內存采集模式,最大觸發速率>5,000,000波形/秒
繪圖:時間趨勢、直方圖、和相位噪聲
數學:基本波形代數、FFT和高級公式編輯器
搜索:搜索任何觸發標準
抖動:TIE和相位噪聲

選配分析1
高級抖動和眼圖分析
用戶定義的過濾
高級頻譜視圖
射頻對時間光跡(幅度、頻率、相位)

數字電源管理
模板/極限測試
逆變器、電機和驅動器
LVDS調試和分析
PAM3分析

高級功率測量和分析
高級矢量信號分析(SignalVu-PC)
選配串行總線觸發,解碼和分析1
I2C、SPI、eSPI、I3C,RS-232/422/485/UART、SPMI、SMBus、CAN、CAN FD、LIN、FlexRay、SENT、PSI5、CXPI、汽車以太網、MIPI C-PHY、MIPI D-PHY、USB 2.0、eUSB2、以太網、EtherCAT、音頻、MIL-STD-1553、ARINC`429、Spacewire、8B/10B、NRZ、曼徹斯特、SVID、SDLC、1-Wire、MDIO

選配串行一致性測試1
以太網、USB 2.0、汽車以太網、工業以太網
選配內存分析1
DDR3調試、分析和一致性測試
任意波形/函數發生器1
50 MHz波形生成

波形類型:任意波形,正弦,方波,脈沖,鋸齒波,三角形,DC電平,高斯,洛倫茲,指數上升/下降,Sin(x)/x,隨機噪聲,半正弦,心電圖
數字電壓表2
4位AC RMS、DC和DC+AC RMS電壓測量
觸發頻率計數器2
8位
顯示
15.6英寸(396 mm)TFT彩色
高清(1920 x 1080)分辨率
容性(多觸點)觸摸屏
連接
USB主控(7端口),USB 3.0設備(1端口),LAN(10/100/1000 Base-T以太網;符合LXI標準),顯示器端口,DVI-D,VGA
e*Scope®
使用標準網絡瀏覽器,通過網絡連接遠程查看和控制示波器

標配探頭
每條通道一只10 MΩ無源電壓探頭,<4 pF容性負載
保修
3年(標配),選配整體保護方案
外觀尺寸
309 mm(12.2英寸)高x 454 mm(17.9英寸)寬x 204 mm(8.0英寸)深
重量:<11.4千克(25磅)
泰克示波器5系列MSO擁有極具創新的手指開合-滑動-縮放觸摸屏用戶界面,業內超大的高清顯示器,以及4個、6個或8個FlexChannel®輸入,每條通道可以測量一個模擬信號或8個數字信號,可以解決當前及未來棘手的挑戰。它為性能、分析和整體用戶體驗設立了新的標準。
泰克示波器MSO5產品手冊