普源DG5358-Pro函數/任意波形發生器
品牌:普源精電/RIGOL
型號:DG5358-Pro/DG5358 Pro
雙通道對地隔離
消除地環路帶來的干擾和噪聲,提升輸出穩定性,保護對電位差敏感的器件及電路

高采樣,低失真
2.5GSa/s采樣率及500MHz最高輸出頻率,為您的波形輸出保駕護航

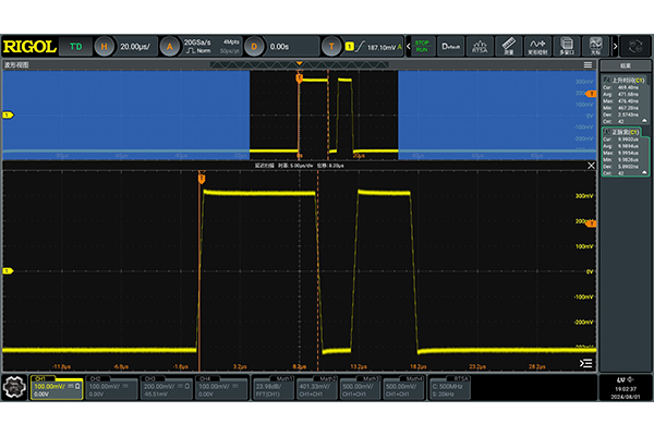
全系170MHz方波,低至0.8ns(typ.)上升時間
全系方波頻率170MHz,方波最小上升時間提升至0.8ns(typ.),性能的不妥協,入門即高配

信號高保真,低抖動
運用RIGOL SIFI II信號高保真技術,抖動低至200ps;逐點輸出,波形不再抖

自定義碼型輸出
提供從PRBS2~PRBS32多種偽隨機序列輸出功能及最高300M波特率的自定義碼型輸出功能,為工程師驗證數字IO接口接收機性能提供最直接的幫助

全新多脈沖功能
支持2~16次脈沖可編輯數,適用于快速生成雙脈沖信號,驅動如MOSFET,IGBT,第三代半導體功率器件,測試功率器件動態性能參數

512次事件高級波形序列功能
將原本需要多次重復構建波形,搭建測試環境變為一次完整的測試用例,節約用戶時間,提升測試效率

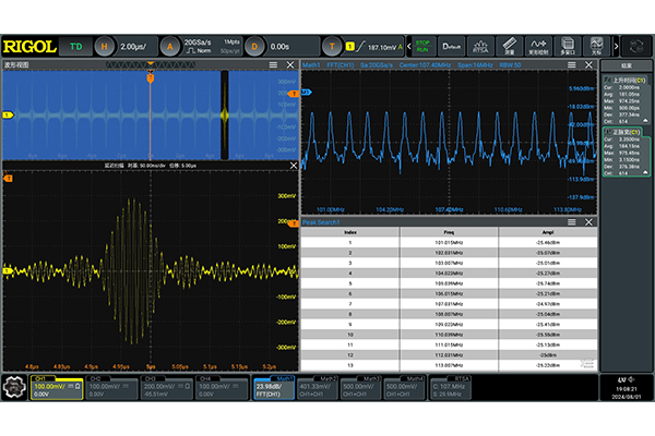
全新多音調制功能
可支持用戶生成簡單的雙音至最多16音調波形,音調幅度相位可靈活編輯,為放大器、濾波器等器件性能測試提供更加高效便捷的測試方法
